山東萬象環境科技有限公司
聯系人:周經理
銷售電話:19853697985
銷售QQ:3836021633
公司地址:山東省濰坊高新區新城街道玉清社區光電路155號濰坊高新區光電產業加速器(一期)1號樓301

聯系人:周經理
銷售電話:19853697985
銷售QQ:3836021633
公司地址:山東省濰坊高新區新城街道玉清社區光電路155號濰坊高新區光電產業加速器(一期)1號樓301

一、浮標式水質監測站產品簡介
浮標式水質監測站又稱浮標水質監測站,水質浮標監測站,浮標式水質監測站是一款能夠漂浮在水面上對水域環境進行實時監測的水文設備,能夠實時監測水溫、電導率、PH、溶解氧、氨氮等多種水質參數,具有安裝方便的特點,能夠幫助管理人員全面評估水質狀況,可廣泛應用于河流、湖泊、水庫、近海海域等多種水域環境使用。
1.水質浮漂監測站SFA集數據采集、存儲、傳輸和管理于一體的無人值守的采集系統。它在工農業生產、旅游、城市環境監測、地質災害、防洪、供水調度、電站水庫水情管理等為目的水文自動測報系統;功能強大的上位機軟件可遠程觀測實時水雨情信息,具有數據庫、報表、下載等功能,用戶還可利用該功能完善的氣象軟件對記錄的數據作進一步的處理分析。
2.SFA05款浮標是由水質傳感器(水溫、電導率、PH、溶解氧、氨氮)、數據采集儀、通訊系統、供電系統、整體 支架、水質監測平臺六部分組成。同時可擴展 濁度、COD、葉綠素等多項水質要素。數據采集儀具有數 據采集、實時時鐘、數據定時存儲、參數設定和標準2G/4G(GPRS)通信功能。
二、浮標式水質監測站產品特點
1.易部署:各類型探頭進行高度集成,安裝方便;提供免費云平臺服務,系統快速上線;
2.易維護:設備安裝后,自行工作即可,無需人工值守,也可以通過遠程監控的方式保障設備的正常運行;
3.易擴展:傳感器探頭均使用統一的通信協議,可以快速對接原設備,快速擴展監測參數;
4.低功耗:設備可以實現低功耗狀態下,長時間運行,增加設備使用的便利性;
5.實時性:設備監測到的數據實時傳輸至云平臺,提升環境數據反饋的及時性。
三、浮標式水質監測站技術參數
1. 主體參數
| 產品名稱 | 描述 |
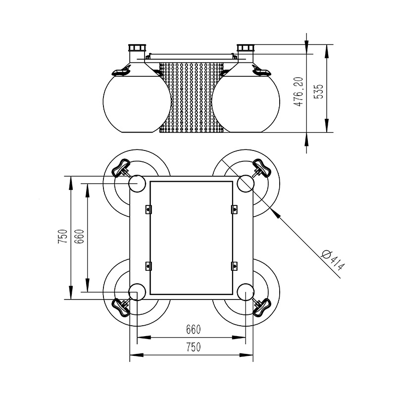
| 環境水質監測浮標 | 可實時實現多路參數在線監測。可實現電池電量監控。可實現云平臺數據監控、數據推送、數據的存儲和報警功能;數據的無線發射功能。峰值功耗為 5W;傳感器功耗 0.25W左右/只。外形尺寸:750mm*750mm*535mm。浮球直徑414mm重量:22kg |
| 采集器數據采集 | 運行可靠,抗干擾,可集成多路RS485/MODBUS-RTU從站設備 |
| 采集器數據輸出 | 1 路 Rs485/JSON協議輸出 |
| 電池 | 鋰電池 12VDC,20AH(默認) |
| 太陽能電池板 | 22.1V/50W(默認) |
| 供電能力 | 定制選型;陰雨天間歇工作 5天以上 |
| 位置指示(選配) | 警示燈;GPS 定位; |
| 監測平臺 | 云平臺;手機/電腦多終端登錄 |
| 防護罩 | 304 不銹鋼濾筒防護罩 |
| 浮體 | 直徑414mm 球形浮體*4工程塑料 |
2.可選配傳感器的主要參數
| 序號 | 名稱 | 測量范圍 | 測量原理 | 測量精度 | 是否標配 | 備注 |
| 1 | 溫度 | 0~50℃ | 高精度數字傳感器 | ±0.3℃ | ? | |
| 2 | pH | 0~14(ph) | 電化學(鹽橋) | ± 0.1PH | ? | |
| 3 | ORP | -1500mv~1500mv | 電化學(鹽橋) | ± 6mv | ||
| 4 | 電導率 | 0~5000uS/cm | 接觸式電極法 | ± 1.5% | ? | |
| 5 | 濁度 | 0~40NTU(低濁) | 散射光法 | ± 1% | 低濁可定制 | |
| 0~1000NTU(中濁) | 散射光法 | ± 1% | 中濁可定制 | |||
| 0~3000NTU(高濁) | 散射光法 | ± 1% | 默認發 | |||
| 6 | 溶解氧 | 0~20mg/L | 熒光壽命法 | ± 2% | ? | |
| 7 | 氨氮 | 0~100mg/l | 離子選擇電極法 | ±1mg | ? | |
| 8 | cod | 0~500mg/ L | UV254 吸收法 | ±5% | 帶有自動清潔器,可防止生物附著,避免光窗污染,以保證長期監測依然具有穩定性;可設置自動清潔時間及清潔次數,功耗0.7W | |
| 濁度 | 0~400NTU | 散射光法 | ± 1% | |||
| 9 | 懸浮物 | 0~2000mg/L | 散射光法 | ±5%(取決于污泥同質性) | ||
| 10 | 葉綠素 | 0~400ug/L | 熒光法 | R2>0.999 | 帶有自動清潔器,可防止生物附著,避免光窗污染,以保證長期監測依然具有穩定性;可設置自動清潔時間及清潔次數,功耗0.7W |
四、產品尺寸圖

五、設備安裝要求
1.遠離大功率無線電發射源
2.遠離高壓輸電線和微波無線電傳送通道
3.盡量靠近數據傳輸網絡
4.遠離強電磁干擾
六、云平臺介紹
1.CS架構軟件平臺,支持手機、PC瀏覽器直接觀測.無需額外安裝軟件。
2.支持多帳號、多設備登錄
3.支持實時數據展示與歷史數據展示儀表板
4.云服務器.云數據存儲,穩定可靠,易于擴展,負載均衡。
5.支持短信報警及閾值設置
6.支持地圖顯示、查看設備信息。
7.支持數據曲線分析
8.支持數據導出表格形式
9.支持數據轉發,HJ-212協議,TCP轉發,http協議等。
10.支持數據后處理功能
11.支持外置運行javascript腳本
水文流量站——方便追溯和對比分析雨水情變化趨勢。國家工業發展的越來越快,在此同時,水資源卻越來越稀缺,再加上水污染加重的問題,使得水資源越來越供不應求,基于此種情況,對河流的在線流量監測越來越重要。而且如果在汛期到來之前,能對河流的水位進行實時監測,就能夠在汛期到來之前進行有效地調水,減輕洪澇...
WX-SFB04浮標水質監測站最大的亮點在于其獨特的浮標設計。它以浮標為載體,能夠自由地漂浮在水面上,隨著水流的波動而靈活移動。這種設計使得它可以對大范圍的水域進行動態監測,不受固定位置的限制。無論是在平靜的湖面,還是在風浪較大的海域,它都能穩定地工作,持續收集水質信息。就像一個不知疲倦的巡邏兵,在水域中不斷穿梭,時刻關注著水質的變化。...
WX-LSZ06立桿水庫水質監測設備的工作原理基于高精度傳感器技術。這些傳感器如同水質監測的“眼睛”,能夠實時監測水體中的多種參數,如水溫、電導率、PH、溶解氧、氨氮、濁度等。這些參數的變化被轉化為電信號或數字信號,并通過數據采集器進行收集和處理。高精度傳感器確保了監測數據的準確性和可靠性,為水質管理提供了科學依據。...
WX-GWS07排水管網水質監測儀的獨特之處在于其隱蔽而高效的工作方式,通過特殊設計的采樣裝置,設備能夠持續獲取管網中的水樣(溫度、電導率、PH、溶解氧、氨氮、濁度、COD)進行分析。不同于實驗室的周期性檢測,這種原位監測方式可以捕捉到污染物濃度的瞬時波動,比如夜間偷排的工業廢水或暴雨沖刷帶來的面源污染。...
WX-LSZ04河流水質在線監測系統之所以適用范圍廣泛,首先得益于其強大的監測能力。系統能夠實時監測河流中的多種水質參數,如溶解氧、pH值、濁度、電導率、溫度以及重金屬離子濃度等,這些參數是反映水質狀況的重要指標。通過持續、穩定的監測,系統能夠全面、準確地掌握河流水質的變化情況,為水質管理提供科學依據。...
WX-SZFB04浮標式水質自動監測系統集成了多種高精度傳感器,能夠實時監測水質參數,如溶解氧、pH值、濁度、電導率、水溫等。這些傳感器能夠迅速響應水質變化,確保數據的實時性和準確性。通過無線傳輸技術,監測數據能夠迅速上傳到遠程監控中心或用戶終端,實現數據的即時共享和分析。這種實時監測的能力,使得管理人員能夠隨時掌握水質狀況,及時發現并處理水質問題。...